Начало / Спирачни дискове / IVECO / IVECO EuroFire / EuroFire 130 E 24

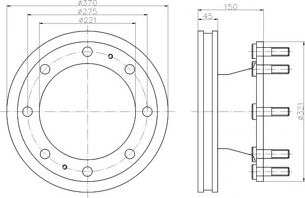
Спирачни дискове за IVECO EuroFire 130 E 24 243 Коня дизел

IVECO EuroFire 130 E 24
IVECO EuroFire 130 E 24

Марка: IVECO

Модел: EuroFire

Модификация: 130 E 24

Произвежда се от: 01/1991 г.

Произвежда се до: сега г.

Конски сили: 243 к.с.

Кубици: 5861 куб.см.

Тип: комунални автомобили

Гориво: дизел

quality Гарантирано качество consulting Безплатна консултация lowPrice Гарантирано ниски цени customers 100% доволни клиенти delivery Проверка на пратката