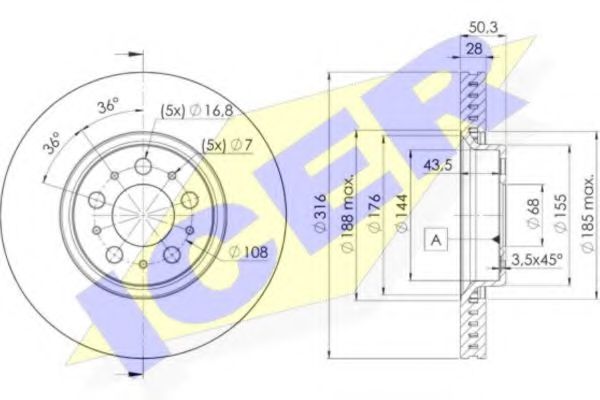
Начало / Спирачни дискове / VOLVO / VOLVO XC90 / XC90 I D5

Спирачни дискове за VOLVO XC90 I D5 200 Коня дизел

VOLVO XC90 I D5
VOLVO XC90 I D5

Марка: VOLVO

Модел: XC90 I

Модификация: D5

Произвежда се от: 01/2011 г.

Произвежда се до: сега г.

Конски сили: 200 к.с.

Кубици: 2400 куб.см.

Тип: комби

Гориво: дизел

quality Гарантирано качество consulting Безплатна консултация lowPrice Гарантирано ниски цени customers 100% доволни клиенти delivery Проверка на пратката