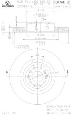
вид на спирачния диск: вътрешновентилиран
диаметър : 345 мм
дебелина на спирачния диск : 30 мм
минимална дебелина : 28 мм
височина : 59,5 мм
брой/разположение на дупките: 05/10
кръг на дупките : 112 мм
центриращ диаметър : 68 мм
тегло : 12,1 kg
допълнителен артикул/допълнителна информация 2: без колесна главина
допълнителен артикул/допълнителна информация 2: без болтове за закрепване на колелата
технически информационен номер: 54125
Доставчик: KokoAuto
AUDI: 4D0615301B
AUDI: 4D0615301E
SEAT: 4D0615301B
SEAT: 4D0615301E
SKODA: 4D0615301B
SKODA: 4D0615301E
VW: 4D0615301B
VW: 4D0615301E
HELLA: 54125
ATE: 24013001771
ATE: 430177
AUGROS: 5290005P
BOSCH: 0986479589
BOSCH: 986479589
BREMBO: 09794110
BREMBO: 09794111
BREMBO: 09794114
BREMBO: 9794111
DELPHI: BG9018
FERODO: DDF1137C1
HELLA PAGID: 355108481
OPTIMAL: BS8632
PAGID: 54125
PILENGA: V231
TEXTAR: 92112500
TEXTAR: 92112505